
SSP型雙線分配器用于雙線集中潤滑系統,工作壓力可達40Mpa。在兩條供油管交替的供油壓力下動作,并且直接由供油活塞排油,完成向各潤滑點斷定量分配潤滑劑的功能。
其特點是:
出油量準確,各出油口的出油量可分別在額定范圍內調整。
可以從指示桿的動作直接觀察潤滑點工作情況。
分配器上可選裝發信開關,檢測潤滑點的狀況。
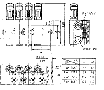
規格型號及技術參數
規格型號
|
公稱壓力MPa
|
出油口數
|
每口每次出油量(ml)
|
環境溫度
|
公稱
|
最小
|
最大
|
1SSP-M0.5
┆
8SSP-M0.5
|
40
|
1
┆
8
|
0.5
|
0.4
|
0.75
|
-20~+80°C
|
1SSP-M1.5
┆
8SSP-M1.5
|
40
|
1
┆
8
|
1.5
|
1.3
|
1.7
|
1SSP-M3
┆
8SSP-M3
|
40
|
1
┆
8
|
3
|
2.7
|
3.3
|
|