
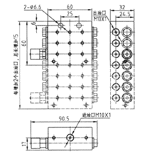
WDQ型及WDQM型遞進式分配器是一種整體式遞進式分配器,其工作原理同片式分配器。該分配器結構緊湊,成本低。WDQ型出油口有6、8、10、12、14五種規格,每個出油口出油量均為0.2ml/r。WDQM型出油口有6、8、10三種規格,每個出油口出油量均為0.1ml/r。這兩種分配器廣泛用于車輛、工程機械及其他中、小型機械設備的集中潤滑系統。
規格型號及技術參數
規格型號
|
出油口數
|
每循環每出油口出油量ml
|
工作壓力MPa
|
使用潤滑劑
|
環境溫度°C
|
潤滑油黏度
|
潤滑脂針入度
|
6WDQ
|
6
|
0.2
|
20
|
≥68mm2/s
|
≥265 1/10mm
|
-20~+60
|
8WDQ
|
8
|
10WDQ
|
10
|
12WDQ
|
12
|
14WDQ
|
14
|
6WDQM
|
6
|
0.1
|
20
|
8WDQM
|
8
|
10WDQM
|
10
|
|